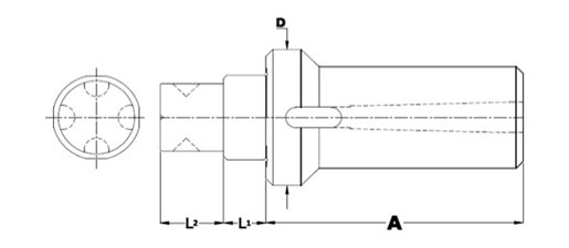
| Designation | A | D | L1 | L2 | d(MT) |
|---|---|---|---|---|---|
| SP-ME/MT-7-3-MT0 | 70 | 30 | 10 | 16 | MT 0 |
| SP-ME/MT-8-3-MT1 | 80 | 30 | 10 | 16 | MT 1 |
| SP-ME/MT-9-3-MT2 | 90 | 30 | 10 | 16 | MT 2 |
| SP-ME/MT-11-3-MT3 | 110 | 30 | 10 | 16 | MT 3 |
| SP-ME/MT-6-4-MT0 | 70 | 40 | 12 | 18 | MT 0 |
| SP-ME/MT-8-4-MT1 | 80 | 40 | 12 | 18 | MT 1 |
| SP-ME/MT-10-4-MT2 | 100 | 40 | 12 | 18 | MT 2 |
| SP-ME/MT-11-4-MT3 | 110 | 40 | 12 | 18 | MT 3 |
| SP-ME/MT-13-4-MT4 | 130 | 40 | 12 | 18 | MT 4 |
| SP-ME/MT-6-5-MT0 | 70 | 50 | 12 | 18 | MT 0 |
| SP-ME/MT-8-5-MT1 | 80 | 50 | 12 | 18 | MT 1 |
| SP-ME/MT-9-5-MT2 | 90 | 50 | 12 | 18 | MT 2 |
| SP-ME/MT-11-5-MT3 | 110 | 50 | 12 | 18 | MT 3 |
| SP-ME/MT-13-5-MT4 | 130 | 50 | 12 | 18 | MT 4 |
| Holders: BT, HSK, ISO, BBT | |||||