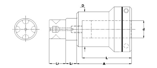
| Designation | A | L | D | L1 | L2 | d |
|---|---|---|---|---|---|---|
| SP-ME/HG-64-12 | 60 | 54 | 40 | 12 | 18 | 12 |
| SP-ME/HG-64-16 | 60 | 54 | 40 | 12 | 18 | 16 |
| SP-ME/HG-64-20 | 60 | 54 | 40 | 12 | 18 | 20 |
| SP-ME/HG-64-25 | 60 | 54 | 40 | 12 | 18 | 25 |
| SP-ME/HG-64-32 | 60 | 54 | 40 | 12 | 18 | 32 |
| SP-ME/HG-65-12 | 60 | 54 | 50 | 12 | 21 | 12 |
| SP-ME/HG-65-16 | 60 | 54 | 50 | 12 | 21 | 16 |
| SP-ME/HG-65-20 | 60 | 54 | 50 | 12 | 21 | 20 |
| SP-ME/HG-65-25 | 60 | 54 | 50 | 12 | 21 | 25 |
| SP-ME/HG-65-32 | 60 | 54 | 50 | 12 | 21 | 32 |
| Holders: BT, HSK, ISO, BBT | ||||||